WC set met inbouwreservoir, toiletpot en WC-zitting Ideal Standard, bedieningsplaat Sigma30, chroom
Bevat
- voorwandinstallatie-element Geberit Duofix met inbouwreservoir
- set voor geluidsdemping
- keramische wandcloset Ideal Standard Alpha
- ultradun duroplast WC-zitting Ideal Standard
- Geberit Sigma30 bedieningsplaat met dual flush spoeling, kleur: chroom
- wandankersset nr. 111.815.00.1 moet bijbesteld worden
Deze installatieset is beschikbaar ook met andere versies van de bedieningsplaat.
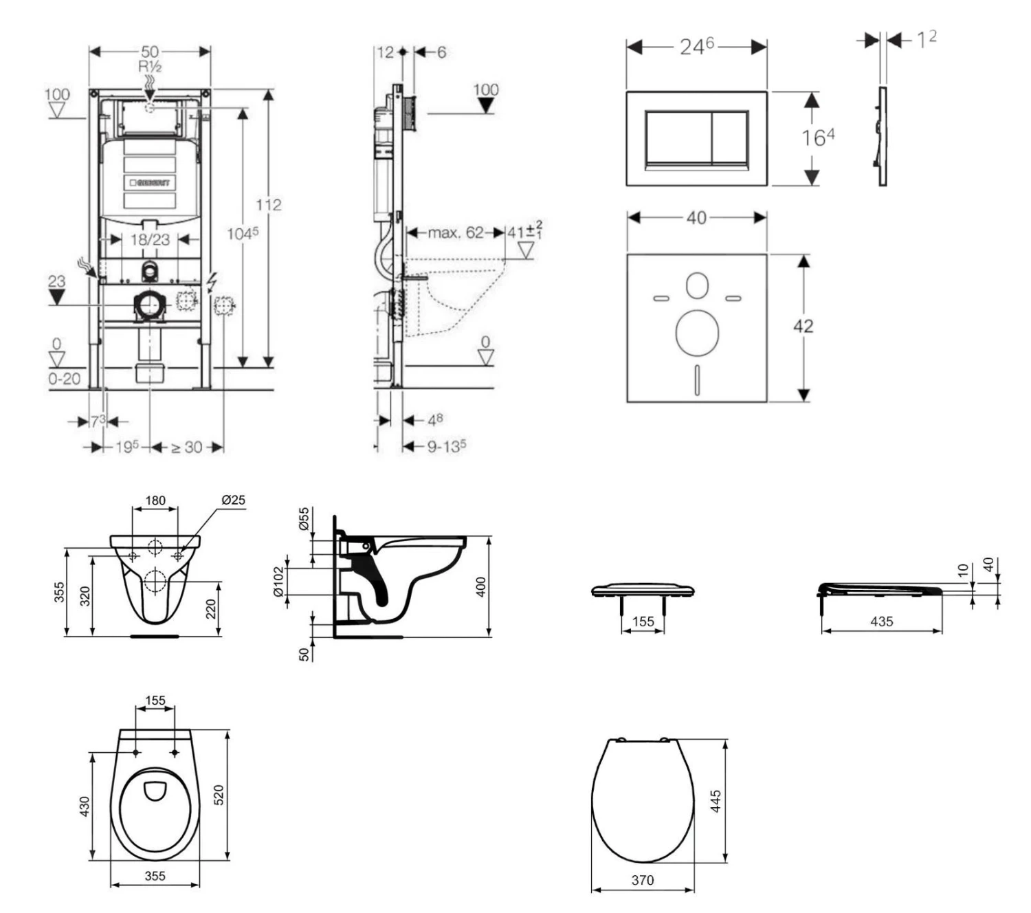
Montage-element Duofix voor wandcloset met Sigma 12 cm inbouwreservoir
Universeel en snel te gebruiken montage-element voor alle drogebouw processen. Het draagt ook aanzienlijk bij aan het voldoen aan de hoogste eisen op het gebied van akoestiek en brandbeveiliging. Geberit Duofix is ontworpen voor installatie in lichtgewicht gipsplaatwanden of voor installatie voor een massieve muur. De montage van het element gaat extreem snel met slechts vier bevestigingspunten.
Gebruiksdoel
- voor drogebouw
- voorwandinstallaties in gedeeltelijk hoog of in hoge kamers
- voor montage in installatiewanden in hoge kamers
- voor installatie in Geberit Duofix systeemwanden gedeeltelijk hoog of hoge kamers
- voor hangende wc’s met aansluitmaten volgens EN 33: 2011
- voor wandtoilet met een voering tot 62 cm
- voor één spoeling, dual flush spoeling of Start / Stop-spoeling
- voor vloerdiktes 0–20 cm
Kenmerken
- zelfdragend frame met poedercoating
- frame met geboorde gaten ø 9 mm voor bevestiging in hout constructie
- frame klaar voor steunen voor toiletkeramiek met klein steunoppervlak
- gegalvaniseerde steunen
- verstelbare steunen 0–20 cm
- steunen met antislip
- draaibare voetplaten
- floetplaat is geschikt voor installatie in U-profielen UW 50 en UW 75 en in Geberit Duofix-systeemprofielen
- aansluitbocht voor installatie zonder gereedschap op verschillende diepten, verstelbereik 45 mm
- bevestiging van de aansluitbocht geluid geïsoleerd
- inbouwreservoir met frontbediening
- inbouwreservoir geïsoleerd tegen condensatie
- onmiddellijke extra spoeling is mogelijk met fabrieksinstellingen
- installatie- en onderhoudswerkzaamheden aan spoelreservoir zonder gereedschap
- waterinlaat aan de achterkant of middenboven
- afdekking voor serviceopening tijdens natte montage beschermt tegen vocht en vuil
- afdekking voor serviceopening tijdens natte montage met mogelijkheid om in te korten
- uitgerust met een buisbeschermer voor de toevoerleiding om de Geberit AquaClean-douche aan te sluiten
- met mogelijkheid van bevestiging voor elektriciteitsvoorziening
Technische informatie
- waterstroomdruk: 10-1000 kPa
- maximale watertemperatuur: 25 ° C
- spoelvolume, fabrieksinstelling: 6 en 3 l
- groot spoelvolume, instelbereik: 4,5 / 6 / 7,5 l
- klein spoelvolume, instelbereik: 3-4 l
- berekend debiet: 0,11 l / s
- minimale overdruk voor berekend debiet: 50 kPa
De set bevat
- waterinlaat R 1/2 “, geschikt voor MF, met geïntegreerd hoekventiel en bedieingsknop
- afdekking voor serviceopening tijdens natte montageÂ
- 2 beschermende pluggen
- aansluitset voor toilet, ø 90 mm
- aansluitbocht PE-HD 90 °, ø 90 mm
- PE-HD-adapter, ø 90/110 mm
- 2 draadstangen M12
- wandankersset nr. 111.815.00.1 moet bijbesteld worden
Wandcloset Ideal Standard Alpha
- afmetingen: 355 x 520 mm
- materiaal: sanitair keramiek
- Rimless spoeltechnologie
Bedieningsplaat Sigma30, voor Dual Flush spoeling
- afmetingen: 246 x 164 mm
- materiaal: kunststof
- kleur: chroom
- voor spoelbediening voor inbouwreservoirs Geberit Sigma
- bevestigingsframe
- 2 instelbare grepen
- 2 knoppen
- knoppen zijn geluidsgeïsoleerd, snelle installatie zonder gereedschap
Dit product kan bij u zonder originele verpakking geleverd worden. De reden is bescherming van product tegen eventuele schade tijdens transport.

























Beoordelingen
Er zijn nog geen beoordelingen.