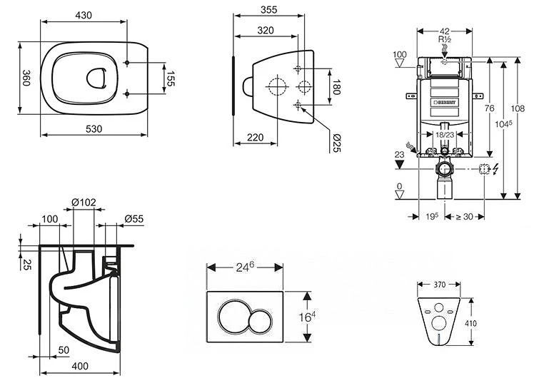
WC set met inbouwreservoir, toiletpot en WC-zitting Ideal Standard Tesi, bedieningsplaat Sigma30, wit/chroom
Bevat
- voorwandinstallatie-element Geberit Kombifix (110.302.00.5), met inbouwreservoir
- set voor geluidsdemping (SP 156SET)
- keramische wandcloset Ideal Standard Tesi (T007801)
- duroplast ultradun WC-zitting Ideal Standard Tesi (T352801)
- Geberit Sigma 30 bedieningsplaat met dual flush spoeling, kleur: wit/chroom (115.883.KJ.1)Â
Deze installatieset is beschikbaar ook met andere versies van de bedieningsplaat.
Montage-element Kombifix voor wandcloset met Sigma 12 cm inbouwreservoir
Gebruiksdoel
- voor gemetselde wanden
- voorwandinstallaties in gedeeltelijk hoog of in hoge kamers
- voor hangende wc’s met aansluitmaten volgens EN 33: 2011
- voor één spoeling, dual flush spoeling of Start / Stop-spoeling
Kenmerken
- zelfdragend frame met poedercoating
- montage frame met vier montagebeugels
- aansluitbocht voor installatie zonder gereedschap
- aansluitbocht kan van voren worden geïnstalleerd zonder gereedschapÂ
- inbouwreservoir met frontbediening
- inbouwreservoir geïsoleerd tegen condensatie
- onmiddellijke extra spoeling is mogelijk met fabrieksinstellingen
- installatie- en onderhoudswerkzaamheden aan spoelreservoir zonder gereedschap
- waterinlaat aan de achterkant of middenboven
- afdekking voor serviceopening tijdens natte montage beschermt tegen vocht en vuil
- afdekking voor serviceopening tijdens natte montage met mogelijkheid om in te korten
- uitgerust met een buisbeschermer voor de toevoerleiding om de Geberit AquaClean-douche aan te sluiten
- met mogelijkheid van bevestiging voor elektriciteitsvoorziening
Technische informatie
- waterstroomdruk: 10-1000 kPa
- maximale watertemperatuur: 25 ° C
- spoelvolume, fabrieksinstelling: 6 en 3 l
- groot spoelvolume, instelbereik: 4,5 / 6 / 7,5 l
- klein spoelvolume, instelbereik: 3-4 l
De set bevat
- waterinlaat R 1/2 “, geschikt voor MF, met geïntegreerd hoekventiel en bedieingsknop
- afdekking voor serviceopening tijdens natte montageÂ
- aansluitset voor toilet, ø 90 mm
- aansluitbocht Ø 90 / 110 mm
- 2 beschermende pluggen
- 2 draadstangen M12
- bevestigingsmateriaal
Wandcloset Ideal Standard Tesi
- voor inbouwreservoir met spoelcapaciteit vanaf 4,5l
- afmetingen: 360 x 530 x 335 mm
- materiaal: sanitair keramiek
- verborgen bevestiging
- groot spoelvolume
- geglazuurd onder de cirkel
Bedieningsplaat Sigma30, voor Dual Flush spoeling
- afmetingen: 246 x 164 mm
- materiaal: kunststof
- kler: wit/chroom
- voor spoelbediening voor inbouwreservoirs Geberit Sigma
- bevestigingsframe
- 2 instelbare grepen
- 2 knoppen
- knoppen zijn geluidsgeïsoleerd, snelle installatie zonder gereedschap
Dit product kan bij u zonder originele verpakking geleverd worden. De reden is bescherming van product tegen eventuele schade tijdens transport.





















Beoordelingen
Er zijn nog geen beoordelingen.