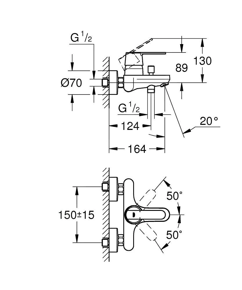
Eengreeps badkraan, wandmontage
- wandmontage
- metalen bedieningshendel
- GROHE SilkMove keramische cartouche 46 mm
- verchroomdeGROHE StarLight afwerking
- traploos instelbare doorstroombeperking
- mousseur
- automatische omstelling bad/douche
- geïntegreerde terugslagklep in de douche-uitgang
- S-koppelingen
- vergrendeld tegen terugwaartse stroming



















Beoordelingen
Er zijn nog geen beoordelingen.