Wandtoiletten zijn een elegante, moderne optie voor uw huishouden. Een zekere moeilijkheid hierbij is het feit dat de gebruiker er ook een montage-element voor dient aan te schaffen. Hier biedt het bedrijf Grohe een oplossing voor: een toilet en een montage-element in één, de Grohe Solido-set.
Het Grohe hangende keramische toilet heeft een diepe spoelfunctie met een open spoelring. Dankzij deze oplossing stroomt het water vanaf de achterkant het toilet in en spoelt het vervolgens over het gehele oppervlak van de pot. Dit garandeert een maximale reiniging met een spoelvolume van slechts 3/6 liter.
Het toilet met geglazuurd glad keramiek wordt tevens geleverd met een duroplastische zitting en met een GROHE Bau Ceramic deksel met SoftClose-functie.
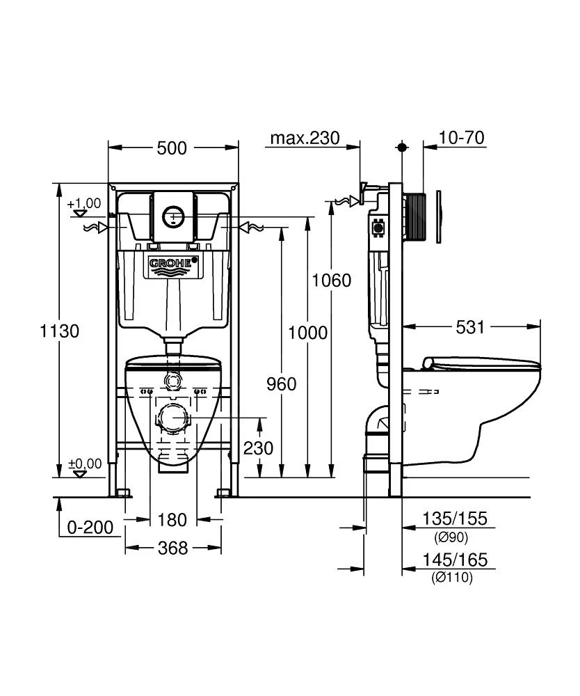
De Solido Compact voorwandmontageset is ontworpen voor voorwandmontage of montage in een lichte scheidingswand. De basis is een zelfdragend stalen frame met een spoeltank.
Voorwandmontageset, toilet en deksel Bau Ceramic en bedieningsplaat Sail
Bevat
- voorwandmontageset, spoelreservoir 6 – 9 l
- wandaansluiting voor voorwandmontage Grohe Rapid SLÂ
- keramische wandcloset inclusief zitting Bau Ceramic met deksel
- dual flush bedieningsplaat Grohe Sail
Solido Compact voor wandcloset,spoelreservoir GD 2
- opbouwhoogte 1,13 m
- voor voorwandmontage of montage in een lichte dwarsbalk
- stalen frame, poedergelakt, zelfdragend
- voor bekleding van gipskarton, compleet voorgemonteerd
- vaste objectaansluiting
- bevestigingsmateriaal
- snelle afstelling, afsluitbaar
- 2 beugels voor WC
- bevestiging van keramisch sanitair
- schroefafstand 180/230 mm
- afvoerbocht Ø 90 mm
- in de diepte instelbaar
- reductie Ø 90/110 mm
- aan- en afvoersysteem
- spoelreservoir van 6 – 9 l (in de fabriek ingesteld op 6 l – 3 l)
- pneumatisch afvoerventiel biedt 3 gebruiksmodi: 2-voudig spoelen of start/stop of ononderbroken (alleen start)
- mogelijkheid tot aansluiting op de watertoevoer van links/van rechts/van achteren of van boven
- armatuurgroep I – geringe geluidsproductie
- geïsoleerd tegen condenswater
- voor de installatie is geen gereedschap nodigÂ
- controlespil inclusief beveiliging tijdens de opbouwfase
- wateraansluiting DN 15 met geïntegreerd hoekstopkraan en schroefverbinding, geen gereedschap nodig
- voor verticaal of horizontaal gebruik
- installatie ter plaatse
Wandcloset voor inbouwreservoirs
- diepspoel
- geopende spoelrand
- geen afval
- spoelvolume: 6/3 l
- inclusief montageset
- geglazuurd glad keramiek
GROHE Bau Ceramic toiletbril met deksel en SoftClose functie
- materiaal: duroplast
- kleur: wit
- bevestigingsset
- snelopeningsmechanisme voor een eenvoudige reinigingÂ
Grohe Sail bedieningsplaat
- voor dual flush spoeling of start/stop-functie
- voor pneumatisch afvoerventiel AV1
- horizontale en verticale montage
- afmetingen: 156 × 197 mm
- materiaal: ABS
- GROHE StarLight chroom oppervlakteafwerking
- GROHE EcoJoy technologie voor een gering waterverbruik en een perfecte doorstroming
Dit product kan bij u zonder originele verpakking geleverd worden. De reden is bescherming van product tegen eventuele schade tijdens transport.

































Beoordelingen
Er zijn nog geen beoordelingen.