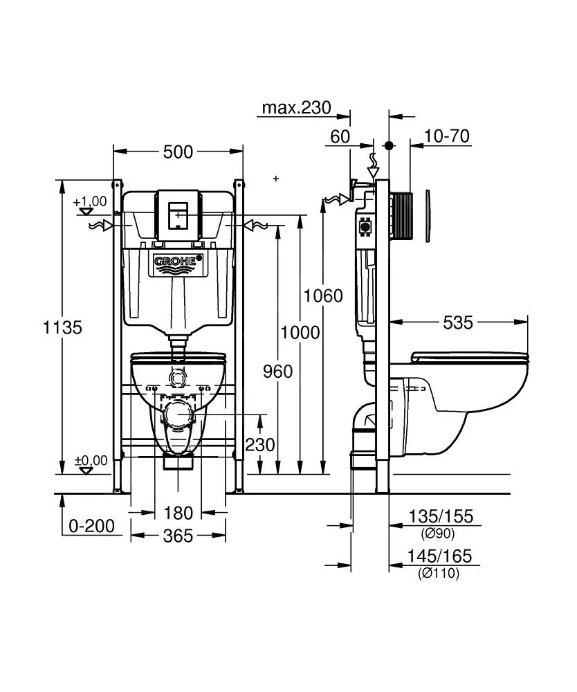
De complete Solido Compact set bevat:
- frame met spoelreservoir
- bedieningsplaat Even
- Start Edge Ceramic wandcloset
- closetzitting met SoftClose sluiting
- wandaansluiting en set voor geluiddemping
Solido Compact voor wandcloset, spoelreservoir GD 2
- opbouwhoogte 1,13 m
- voor een montage aan de wand of in een lichte dwarsbalk
- stalen frame, poedergelakt, zelfdragend
- voor gipsplaat
- vaste objectaansluitingen
- bevestigingsmateriaal
- snelle afstelling, afsluitbaar
- 2 beugels voor WC
- bevestiging van keramisch sanitair
- schroefafstand 180/230 mm
- afvoerbocht Ø 90 mm
- in de diepte instelbaar
- reductie Ø 90/110 mm
- aan- en afvoergarnituur
- spoelreservoir van 6 – 9 l (in de fabriek ingesteld op 3 l – 6 l)
- pneumatisch afvoerventiel biedt 3 gebruiksmodi: 2-voudig spoelen of start/stop of enkele spoeling
- mogelijkheid tot aansluiting op de watertoevoer van links/van rechts/van achteren of van boven
- armatuurgroep I – geringe geluidsproductie
- geïsoleerd tegen condenswater
- geen gereedschap nodig voor installatieÂ
- controlespil inclusief beveiliging tijdens de opbouwfase
- wateraansluiting DN 15 met geïntegreerd hoekstopkraan en schroefverbinding, geen gereedschap nodig
- voor verticaal of horizontaal gebruik
- installatie ter plaatse
- 2 muurbeugels met bevestigingsmateriaal
Hangend toilet Start Edge Ceramic
- diepspoel
- randloze spoeling rimless
- achterafvoer
- spoelvolume 3/5 l
- materiaal:Â geglazuurd glad keramiek
- kleur: alpine wit
Closetzitting met deksel en SoftClose functie
- afneembaar
- eenvoudige demontage
- materiaal: Duroplast
- kleur: alpine wit
Bedieningsplaat Even
- voor dual flush spoeling of start/stop-functie
- voor pneumatisch afvoerventiel AV1
- horizontale en verticale montage
- afmetingen: 156 x 197 mm
- vervaardigd van ABS
- GROHE EcoJoy technologie voor een gering waterverbruik en een perfecte doorstroming
- Verchroomde GROHE StarLight afwerking
Dit product kan bij u zonder originele verpakking geleverd worden. De reden is bescherming van product tegen eventuele schade tijdens transport.

































Beoordelingen
Er zijn nog geen beoordelingen.