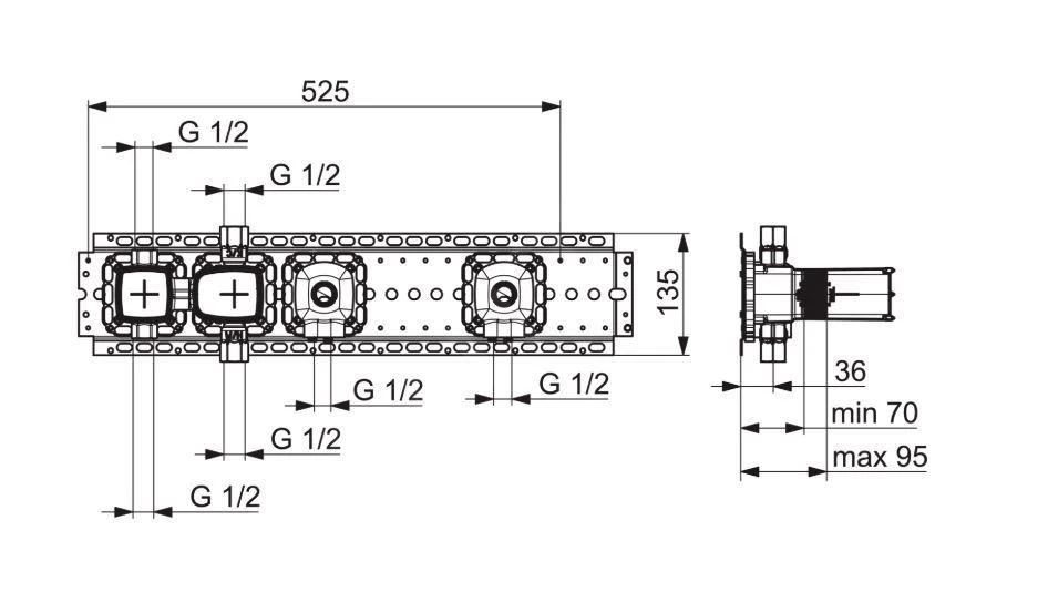
Installatieset voor 2 uitgangen
- aansluiting: G 1/2
- wandmontage
- wateropbrengst: 26 l/min (uitloop en douche)
- voor een complete set moet 1 thermostatische inbouw badkraan voor 2 uitgangen worden besteld
De verpakking bevat
Inbouwdeel DN15, met 2-weg omstelkraan
- inbouwdiepte: 65-90 mm
- vergroting van de inbouwdiepte met 5 mm bij installatie op montagerail
- alle aansluitingen: G 1/2
- materiaal: messing
- montagebox en kunststof beschermkap, met dichtingsmanchet en Multifix bevestigingssysteem
- 2-weg kraan met keramische schijven
- uitgang voor douche met gebruik van doucheaansluiting
- uitgang voor bad met vrije uitloop
- geïntegreerde onderhoudseenheid, met vuilzeef en terugslagklep
- veiligheidsblokkering tegen verbranding bij 38 °C
- geluiddemper
- terugstroombeveiliging bij huishoudelijk gebruik
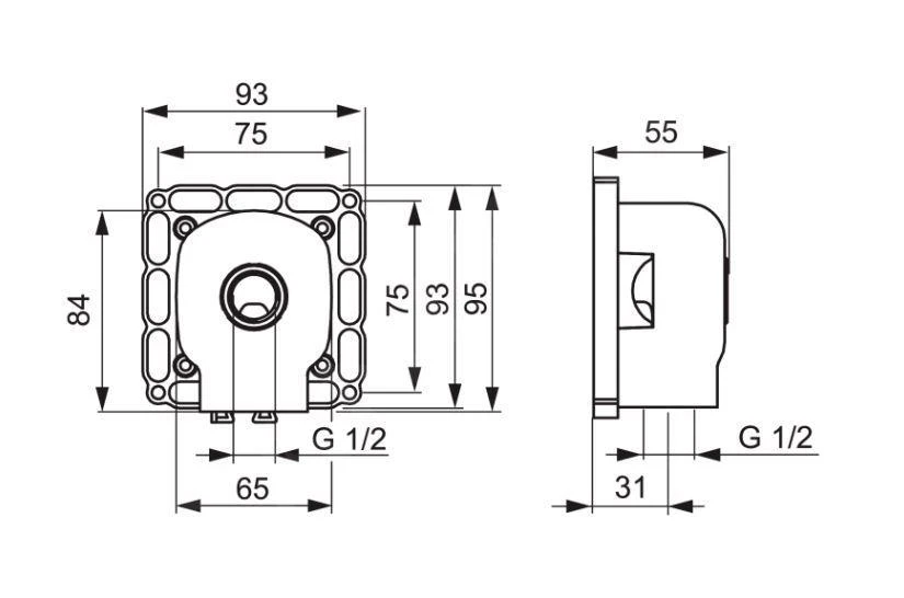
2x Inbouwdeel DN15, met hoekaansluiting
- binnendraad: G 1/2
- materiaal: messing
- Multifix bevestigingssysteem
- geïsoleerd met polystyreen
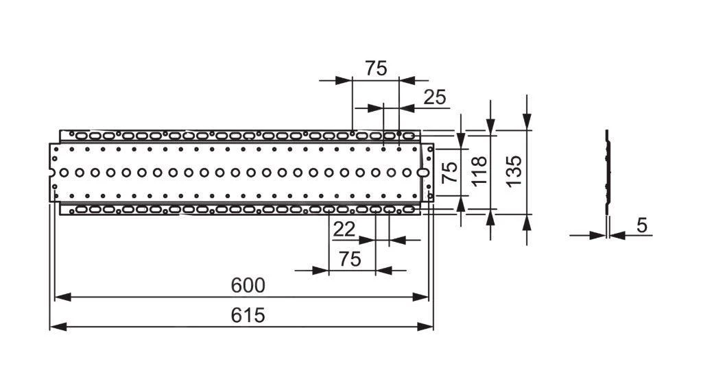
Montagerail
- bevestiging raster mogelijk: 25 mm
- bevestigingsbouten voor kraaninstallatie
- de montagerail kan naar wens worden verlengd met nog een rail

























Beoordelingen
Er zijn nog geen beoordelingen.