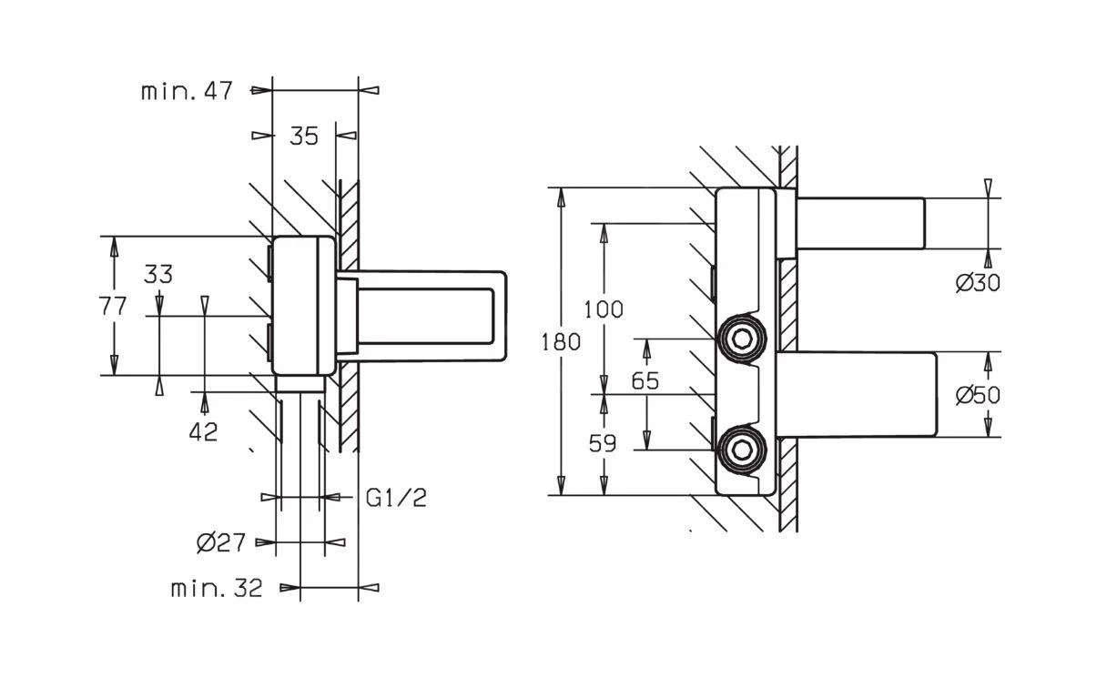
Inbouw basisgarnituur voor wastafelkraan, DN15
- aansluiting: G 1/2
- materiaal: messing
- 35 mm keramisch binnenwerk voor debiet en temperatuur instelling
- geïsoleerd in styropor
- temperatuurbegrenzer (achteraf instelbaar)
Voor een compleet product moet een 2-gats inbouw wastafelkraan worden besteld.















Beoordelingen
Er zijn nog geen beoordelingen.